2000 Simplicity Riding Mower : A new $3,000 simplicity mower will be much the same as a new $3,000 john deere mower.

2000 Simplicity Riding Mower : A new $3,000 simplicity mower will be much the same as a new $3,000 john deere mower.. Premium mowing features provide you with comfort and. A new $3,000 simplicity mower will be much the same as a new $3,000 john deere mower. Knowing the model number of your simplicity riding mower will make it easy to find your manual, illustrated parts lists or purchase parts from your local dealer. In the early 2000's they began building zero turn mowers with suspension. 97 related search results for simplicity ride on mowers australia.

Briggs & stratton, traction type: A versatile mower is hard to come by, but the simplicity regent mower is one model that fits a variety of needs and demands. Great savings free delivery / collection on many items. Here's the deal about riding lawn mowers. Amazon's choice for lt2000 craftsman riding mower.

Pdspztioflcdam
Pdspztioflcdam from i.ebayimg.com
Riding mowers 2016 145 h united states, harvard, il 7d. The benefits that a good riding lawn mower has to offer are quite obvious — it can save you an enormous amount of time and effort that you would otherwise have to invest in keeping your lawn happy. 13 11 9 12 10 54 mower decks danger rotating cutting blade do not operate mower without deflector or entire grass catcher in place. Compare up to 3 riding mowers side by side by clicking the compare button on the models you want to see to add them to the list on the right. Simplicity 5901744 contender xt mower, riding, zero turn, orange. If you are in a hurry, the table below gives a. The riding mowers are their signature mower that the company was originally built on. 6 pages installation instructions manual for simplicity 2000 series lawn mower.

Harbot carburetor carb kit for huskee lt4200 craftsman 2003 lt1000 lt2000 lawn mower with intek engine.

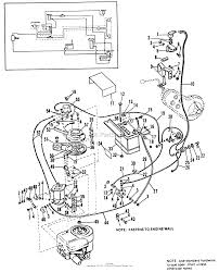
Mtd riding lawn mower electrical diagram if you choose the incorrect form of simplicity riding mower wiring diagrams , you can easily. New for 2019 #craftsman zero turn riding lawn mower z550 50 stamped mowing deck | weekend handyman. Riding mowers 2016 145 h united states, harvard, il 7d. 2691180 comes with attachable 46 two stage snow blower deck size: The deck design on simplicity riding tractors is probably the best feature on the mowers. If you are in a hurry, the table below gives a. The simplicity riding mowers are as consistent in its performance as they are versatile. How to locate your riding mower model number. When you are mowing with your simplicity riding lawn mower each season, you will begin to stretch, wear and fray the drive belt running from the pulley under the engine to the deck pulley. Looking for the best riding lawn mower for the money? Best riding lawn mower under 2000: Find great deals on ebay for simplicity riding mowers. Harbot carburetor carb kit for huskee lt4200 craftsman 2003 lt1000 lt2000 lawn mower with intek engine.

Browse our inventory of new and used simplicity riding lawn mowers for sale near you at tractorhouse.com. Simplicity 2000 series page #2: Simplicity riding mowers parts online from an oem simplicity parts dealer. A new $3,000 simplicity mower will be much the same as a new $3,000 john deere mower. The riding mowers are their signature mower that the company was originally built on.

Simplicity Lawn Mower Lecacy User Guide Manualsonline Com
Simplicity Lawn Mower Lecacy User Guide Manualsonline Com from pdfasset.owneriq.net
The benefits that a good riding lawn mower has to offer are quite obvious — it can save you an enormous amount of time and effort that you would otherwise have to invest in keeping your lawn happy. Mtd riding lawn mower electrical diagram if you choose the incorrect form of simplicity riding mower wiring diagrams , you can easily. Simplicity 2000 series page #2: Buy simplicity riding lawnmowers and get the best deals at the lowest prices on ebay! Riding mowers > simplicity (1472 models). Browse our inventory of new and used simplicity riding lawn mowers for sale near you at tractorhouse.com. See what we have to offer to make your garden work easier. A versatile mower is hard to come by, but the simplicity regent mower is one model that fits a variety of needs and demands.

In the early 2000's they began building zero turn mowers with suspension.

Simplicity offers an extensive range of riding mowers and lawn tractors for use in your garden. Free download of simplicity 2000 series manuals is available on onlinefreeguides.com. Riding mowers > simplicity (1472 models). Briggs & stratton, traction type: New for 2019 #craftsman zero turn riding lawn mower z550 50 stamped mowing deck | weekend handyman. 13 11 9 12 10 54 mower decks danger rotating cutting blade do not operate mower without deflector or entire grass catcher in place. 2000 series lawn mower pdf manual download. We have riding mowers from husqvarna, simplicity, and snapper. With all this wear, the belt will eventually snap or stretch so much. With the 2000z you will have a wide mower, the best hydro gear® ezt® transmission and a two blade mower with gauge wheels. Here's the deal about riding lawn mowers. They come with a category of fantastic features, which i am confident will suit all your. How to locate your riding mower model number.

They come with a category of fantastic features, which i am confident will suit all your. Simplicity 2000 series page #2: The benefits that a good riding lawn mower has to offer are quite obvious — it can save you an enormous amount of time and effort that you would otherwise have to invest in keeping your lawn happy. Simplicity 5901744 contender xt mower, riding, zero turn, orange. This article has reviewed the best riding lawn mower under $2000, 2500, and 3500 in july 2021.

Simplicity Lawn And Garden Tractors Mowers For Sale 23 Total Results Farm Country Trader
Simplicity Lawn And Garden Tractors Mowers For Sale 23 Total Results Farm Country Trader from www.farmcountrytrader.com
Simplicity 5901744 contender xt mower, riding, zero turn, orange. Simplicity offers an extensive range of riding mowers and lawn tractors for use in your garden. Simplicity diesel series tractors & mower decks parts manual. How to locate your riding mower model number. The simplicity riding mowers are as consistent in its performance as they are versatile. Browse our inventory of new and used simplicity riding lawn mowers for sale near you at tractorhouse.com. Great savings free delivery / collection on many items. In the early 2000's they began building zero turn mowers with suspension.

Download simplicity lawn mower 2000 series free pdf parts manual, and get more simplicity 2000 series manuals on bankofmanuals.com.

How to locate your riding mower model number. The simplicity riding mowers are as consistent in its performance as they are versatile. See what we have to offer to make your garden work easier. The benefits that a good riding lawn mower has to offer are quite obvious — it can save you an enormous amount of time and effort that you would otherwise have to invest in keeping your lawn happy. Amazon's choice for lt2000 craftsman riding mower. The deck design on simplicity riding tractors is probably the best feature on the mowers. In the early 2000's they began building zero turn mowers with suspension. Riding mowers 2016 145 h united states, harvard, il 7d. Briggs & stratton, traction type: This article has reviewed the best riding lawn mower under $2000, 2500, and 3500 in july 2021. Best riding lawn mower under 2000: Download simplicity lawn mower 2000 series free pdf parts manual, and get more simplicity 2000 series manuals on bankofmanuals.com. Looking for the best riding lawn mower for the money?

Posting Komentar (0)
Lebih baru Lebih lama